Shinikizo kubwa pampu
Utangulizi
Pampu za shinikizo kubwa ni pampu za viwandani ambazo hutumiwa kusonga laini, zenye nguvu kwa shinikizo kubwa.
Pampu za shinikizo kubwa ni pampu za centrifugal ambazo zimetengenezwa mahsusi kushughulikia slurries zenye abrasive zilizo na yaliyomo juu ya vimiminika. Kwa kawaida hufanywa kwa metali ngumu au mpira, na viboreshaji vilivyoundwa kushughulikia chembe kubwa, ngumu. Pampu hizi hutumiwa mara kwa mara katika matumizi ambapo pampu za jadi zingeshindwa kusafirisha mteremko kwa umbali mrefu.



Maombi





Madini
Utekelezaji wa Mill, Kuondoa Mgodi, Mabomba ya Tairi, Usindikaji wa Madini, Kurudisha Mgodi
Mafuta na gesi
Sekta ya mafuta na gesi pia hutegemea sana juu ya pampu za shinikizo kubwa. Zinatumika kwa shughuli za kukanyaga, ambapo pampu hutumiwa kuingiza shinikizo la juu - ndani ya kisima ili kufungua mwamba na kutolewa mafuta au gesi. Vile vile hutumiwa kwa kusafirisha matope ya kuchimba mafuta na gesi, ambayo ni ya kawaida na yana chembe ngumu.
Kemikali
Kusonga kemikali na vimumunyisho kama slurries za chokaa, ahueni ya kichocheo na uhamishaji wa kaboni
Kizazi cha nguvu
Pampu za shinikizo kubwa hutumiwa katika mimea ya uzalishaji wa umeme kusafirisha mteremko wa makaa ya mawe. Makaa ya mawe ni chini ya poda laini na huchanganywa na maji ili kuunda mteremko ambao hupigwa ndani ya boiler ya mmea wa nguvu. Pampu ya shinikizo kubwa ni muhimu kwa mchakato huu, kwani inaweza kushughulikia utelezi wa abrasive na mnene.
Matibabu ya maji machafu
Kushughulikia sludge, mabaki kusukuma, mmea slurries
Faida muhimu
Pampu yetu ya shinikizo ya juu ina muundo sawa wa ndani wa majimaji kama kiwango cha - pampu za shinikizo lakini ruhusu shinikizo kubwa za kufanya kazi.
Kamili - marekebisho ya uso haiwezekani katika matumizi ya juu ya -. Pete yetu ya kuvaa ya wamiliki hutatua hii. Kurekebishwa kwa urahisi na mwendeshaji mmoja na wrench ya kawaida, inaruhusu udhibiti wa suction - kibali cha upande, kudumisha utendaji wa majimaji juu ya maisha ya pampu saa rpm ya kila wakati. Hii husababisha ufanisi wa hali ya juu na sehemu iliyopanuliwa kuvaa maisha.
Ubunifu wa tie - Bolt ya Millmax na UMD High - Pampu za shinikizo huruhusu waendeshaji kuchukua vipimo vya unene wa ultrasonic kuzunguka pampu, kusaidia kutabiri na ratiba ya matengenezo ya matengenezo kabla ya kushindwa kutokea. Wakati huo huo, SlurryMax - pampu za HP zinaonyesha mgawanyiko - Ubunifu wa kesi ambayo inawezesha ufikiaji wa matengenezo kwa sehemu za ndani.
Jinsi ya kuhesabu kichwa na mtiririko wa pampu ya kuteleza
A.Slurry pampu kichwa
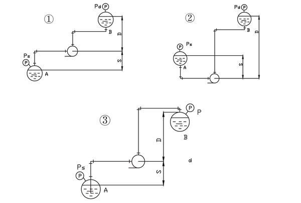
Kichwa ni nishati inayopatikana na pampu ya kioevu ya kioevu kwa uzani wa kitengo. Hesabu ya kichwa cha pampu ya kuteleza imegawanywa katika hali tatu (kama inavyoonyeshwa kwenye takwimu):

Aina ya kwanza: H = D+S+HF 1+ hf 2+ h 3+ pd-ps
Aina ya pili: h=d-s+hf 1+ hf 2+ hf 3+ pd-ps
Aina ya tatu: h=d + s+hf 1+ hf 2+ hf 3+ pd-ps
D-Upungufu wa jiometri ya urefu, m; Thamani: juu kuliko mstari wa kituo cha pampu ya pampu: chanya; Chini kuliko mstari wa katikati wa pampu ya pampu: hasi;
Urefu wa jiometri ya s-s-s, m; Thamani: juu kuliko mstari wa kituo cha pampu: hasi; Chini kuliko mstari wa katikati wa pampu ya pampu: chanya;
PD, PS-shinikizo ya kushirikiana katika chombo, safu ya kioevu ya M (shinikizo la chachi); Thamani: kulingana na shinikizo nzuri na hasi ya chachi
HF1-Upotezaji wa bomba la moja kwa moja, safu ya kioevu;
HF2-Upotezaji wa Upinzani wa bomba, safu ya kioevu;
HF3-Ingiza na Upotezaji wa Upinzani wa Mitaa, safu ya kioevu ya M;
H-kichwa cha pump, safu ya kioevu.
Kiwango cha mtiririko wa pampu ya B.Slurry
Uamuzi wa kiwango cha mtiririko wa pampu haswa una alama tatu zifuatazo:
1. Viwango vya chini, vya kawaida na vya kiwango cha juu hupewa katika mchakato wa uzalishaji wa pampu za kuteleza, na kiwango cha juu cha mtiririko kinapaswa kuzingatiwa.
2. Kiwango cha kawaida cha mtiririko tu hupewa katika mchakato wa uzalishaji, na kiwango fulani kinapaswa kuzingatiwa.
For large-flow, low-lift slurry pumps with NS>100, kiwango cha mtiririko ni 5%, kwa mtiririko mdogo -, juu - pampu za kuinua na NS<50, the flow margin is 10%, and for pumps with 50≤NS≤100, the flow margin is also 5%. For pumps with poor quality and poor operating conditions, the flow margin should be 10%.
3. Takwimu za msingi hutoa mtiririko wa uzito tu, ambao unapaswa kubadilishwa kuwa mtiririko wa kiasi.
Moto Moto: Pampu ya shinikizo kubwa, China shinikizo kubwa la wazalishaji wa pampu, wauzaji, kiwanda
Next2
Bomba la kusongeshaUnaweza pia kupenda
Tuma Uchunguzi













